
Ãæ°ü¹øºÍÄ£¾ß´¶¾ß¸½¼þ³ø·¿ËÜÁÏË®²Û.ËÜÁÏÍÐÅÌ

×Ô¶¯Ë®ÁúÍ·°¢Ë¹µÙÄá³ø·¿Ë®ÁúÍ·

¯ÔîÃºÆøÂ¯png¯Ôî×À×Ó

³ø·¿Â¯Ôî¯ÌÅÃºÆøÂ¯×ۺϳø·¿Â¯Ôî

³ø·¿ÓÃÆ·

³ø·¿³÷¹ñ³ø·¿Óþßͼ±ê.ʳÎïÔØÌåµÄ΢²¨¼ÓÈÈ

³ø·¿×À×Ó³éÌë¼Ò¾ßÏ´µÓ²Û

³ø·¿pngͼƬÇиî°å¼ÆËã»úͼ±ê.³ø·¿

¹¤¾ß²Í¾ß²æ³ø¾ß²Í¾ß²æ×Ó

ʳƷ¼Ó¹¤»úsencor stmÃæºý40 wh³ø·¿½Á°è»ú-³ø·¿

²Êƽͼ»§ÐÍͼ³ø·¿±ùÏä

½Á°è»ú³ø·¿0΢²¨Â¯

µ°¸â ʳÎï ³ø·¿

³ø·¿ÊÖÌ×±£»¤¹¤¾ßͼ±ê

ʸÁ¿³ø·¿µ¶¾ß

Æû³µ³ø·¿-Æû³µ

¿¨Í¨ ¹¤¾ß ³ø·¿Óþß

±ùÏä-³ø·¿-±ùÏä

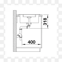
³ø·¿Ë®²ÛË®ÁúÍ·Ô¡ÊÒË®²Û

ÃºÆøÂ¯Åëâ¿·¶Î§£º²»Ðâ¸Ö³ø¾ß´óʦ³ø·¿

»ú´²¸Ö.Éè¼Æ

ÂËË®ºÐ¹¤¾ß³ø·¿Óþ߼гÖÒÕÊõ

²Í×À¹ñ³ø·¿

±ùÏäͼ±ê ³ø·¿Í¼±ê ¼Ò¾ÓÓÃÆ·Í¼±ê

³ø¾ß³×³ø¾ß.²ÊÉ«³ø·¿Óþ߸¡¶¯Ôª¼þ

³ø·¿Óþߣ¬¿ª²ÛÉ××Ó£¬²ù×Ó£¬²æ³×

¿§·È»úÅëâ¿Ôî³ø·¿¿¾Ãæ°ü»ú-³ø·¿

³ø·¿Ï´µÓ²Û²¼À¼¿ÆÌÕ´É-³ø·¿